Blog

Latest insights and articles from DigitalSketch.ai on P&ID Ingestion & Digitization using AI

Digitizing Legacy P&ID Drawings: Transforming Industrial Engineering Documentation into Intelligent Plant Data

Digitizing Legacy P&ID Drawings: Transforming Industrial Engineering Documentation into Intelligent Plant Data

Across industries such as oil and gas, chemicals, power generation, food processing, and pharmaceuticals, Process and Instrumentation Diagrams (P&IDs) remain the foundational documents that describe how industrial facilities operate. Yet a significant percentage of the world's P&IDs exist only as legacy artifacts—paper drawings, scanned images, outdated CAD files, or static PDFs that are difficult to search, integrate, or maintain. The digitization of legacy P&ID drawings represents one of the most impactful steps organizations can take toward building the digital plant , enabling intelligent operations, AI-driven reliability, and real-time operational insight. Modern digitization technologies—including computer vision, AI-assisted symbol detection, and automated...

Read More
From Static P&IDs to Intelligent Plant Intelligence

From Static P&IDs to Intelligent Plant Intelligence

How DigitalSketch.ai Unlocks the Hidden Value in Legacy Engineering Drawings Across industries such as oil & gas, chemicals, power generation, pharmaceuticals, and manufacturing, Piping and Instrumentation Diagrams (P&IDs) form the backbone of engineering documentation. These diagrams capture the structure of process systems—mapping the relationships between equipment, pipelines, instruments, control loops, and safety devices that keep industrial facilities operating safely and efficiently. Yet despite their critical importance, most P&IDs today remain static artifacts: scanned PDFs, aging CAD files, or paper drawings stored in engineering archives. While they contain enormous amounts of engineering knowledge, the information within them is often trapped in...

Read More
AI-Driven Asset Extraction from P&IDs Using Deep Learning

AI-Driven Asset Extraction from P&IDs Using Deep Learning

How DigitalSketch.ai Transforms Static Diagrams into Intelligent Assets Piping and Instrumentation Diagrams (P&IDs) are the backbone of industrial plants—capturing the relationships between equipment, piping, instruments, and control logic. Yet for decades, these diagrams have remained largely static , locked inside PDFs, scanned drawings, or legacy CAD files. Extracting asset data from them has traditionally required time-consuming manual effort, prone to inconsistency and error. DigitalSketch.ai changes this paradigm by applying deep learning and AI-based computer vision to automatically extract, structure, and contextualize assets from P&IDs—turning drawings into living, queryable digital systems The Challenge with Traditional P&ID Workflows Conventional P&ID management faces...

Read More
DigitalSketch.ai — Built-In AI-Powered CoPilot Assistant

DigitalSketch.ai — Built-In AI-Powered CoPilot Assistant

Ask. Understand. Act — Directly from Your P&IDs Engineering knowledge shouldn’t be trapped in drawings, documents, or people’s heads. DigitalSketch.ai introduces a built-in AI-Powered CoPilot Assistant that lets engineers interact with P&IDs using natural language and receive instant, context-aware answers . Powered by large language models (LLMs) and deep diagram intelligence, CoPilot turns your P&IDs into a conversational, intelligent system. Ask Natural Language Questions — Get Instant Answers With DigitalSketch.ai CoPilot, you can simply ask questions like: What is the size and manufacturer of this tank? Which instruments are connected downstream of this filter? When was this equipment last inspected?...

Read More
DigitalSketch.ai — Draw, Add, and Manage Entities Directly on P&IDs

DigitalSketch.ai — Draw, Add, and Manage Entities Directly on P&IDs

AI-Driven Editing with Real-Time Intelligence and Control Modern engineering teams need more than static drawings—they need living diagrams that evolve with the plant. DigitalSketch.ai delivers exactly that with an intelligent, AI-powered environment that lets you draw, add, edit, and manage entities directly on your P&IDs . Powered by deep learning and machine learning, DigitalSketch.ai ensures every change is accurate, contextual, and instantly reflected across your diagrams. Add New Entities and Equipment with Confidence DigitalSketch.ai makes it easy to introduce new elements into existing P&IDs—without breaking engineering context. Using an intuitive drawing interface, users can: Create new equipment such as pumps,...

Read More
DigitalSketch.ai — Intelligent Search & Discovery for P&IDs

DigitalSketch.ai — Intelligent Search & Discovery for P&IDs

Find Exactly What You Need, Instantly Engineering teams spend far too much time searching through dense P&IDs, scattered documents, and disconnected systems. DigitalSketch.ai solves this with Intelligent Search & Discovery —a powerful, AI-driven capability built directly into the P&ID experience. Search is no longer limited to filenames or manual browsing. With DigitalSketch.ai, you can find assets, connections, symbols, and documents instantly , across your entire drawing library. Full-Text Search Across P&IDs and Documents DigitalSketch.ai indexes every layer of your engineering data, enabling full-text search across: All P&ID drawings Equipment tags and descriptions Instrument identifiers and annotations Linked documents, datasheets, and...

Read More
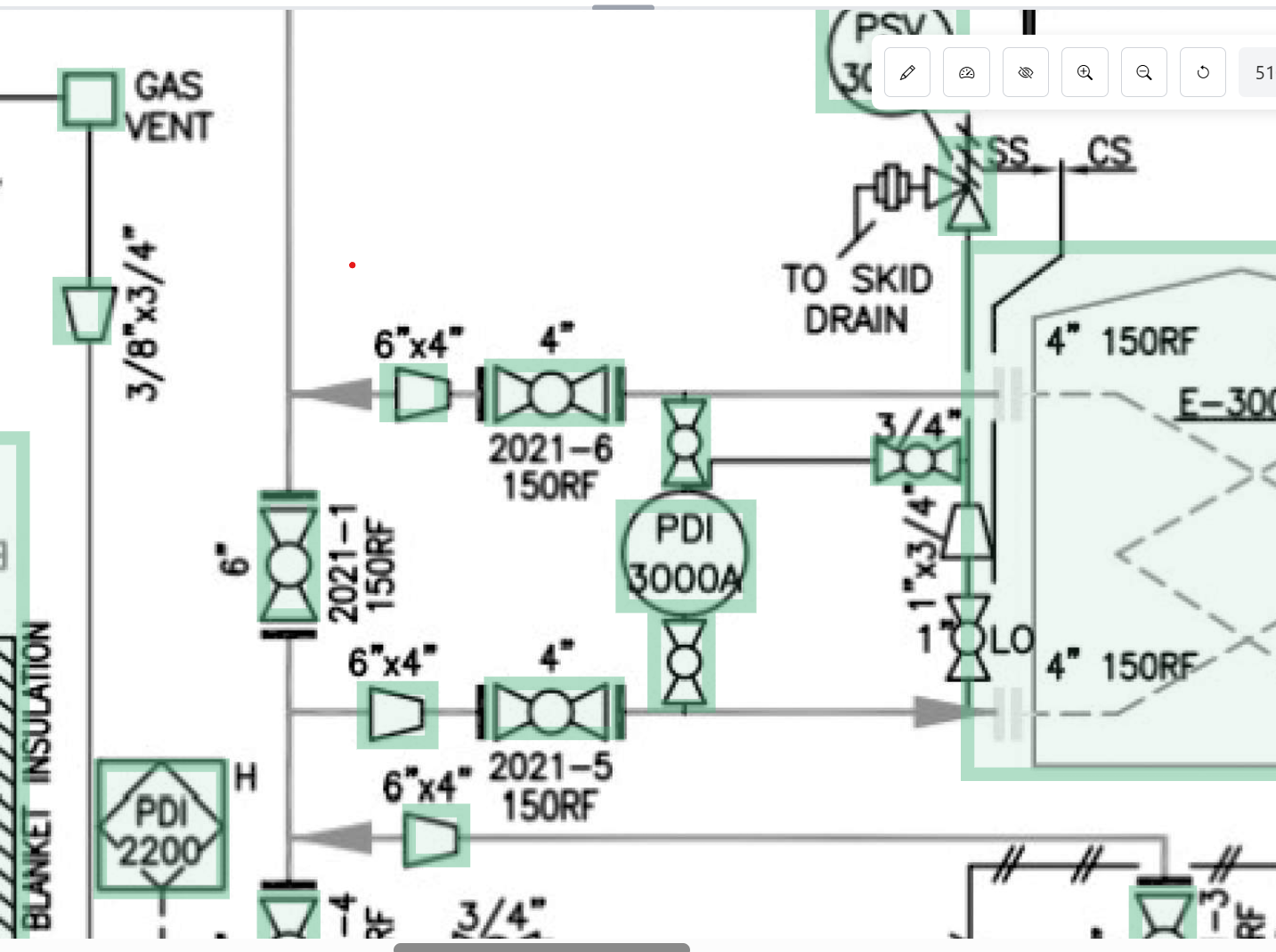
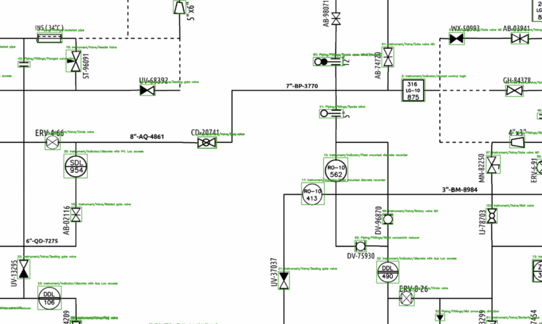
DigitalSketch.ai Intelligent Symbol Recognition

DigitalSketch.ai Intelligent Symbol Recognition

Turning P&IDs into Structured, Actionable Intelligence Process & Instrumentation Diagrams (P&IDs) are the backbone of industrial engineering—but they’re also dense, complex, and traditionally locked in unstructured formats. DigitalSketch.ai Intelligent Symbol Recognition changes that by applying advanced AI vision and contextual reasoning to automatically interpret P&IDs with exceptional accuracy. Our AI-powered engine doesn’t just “see” symbols—it understands them. From Visual Symbols to Structured Data DigitalSketch.ai automatically detects and classifies P&ID symbols across the entire diagram. From pumps, valves, and filters to instruments, lines, and connections , every element is identified and contextualized to enable reliable data extraction and downstream automation. This...

Read More
DigitalSketch.ai Interactive Asset Exploration in P&IDs

DigitalSketch.ai Interactive Asset Exploration in P&IDs

Navigate, Understand, and Interact with Engineering Diagrams Like Never Before Traditional P&IDs are static, crowded, and difficult to navigate—especially when engineers need to understand how assets relate to one another. DigitalSketch.ai Interactive Asset Exploration transforms these complex drawings into a dynamic, intuitive experience that makes exploration fast, visual, and precise. With DigitalSketch.ai, your P&IDs become interactive engineering maps , not just drawings. Seamless Navigation Across Complex P&IDs DigitalSketch.ai provides smooth, responsive interaction with even the largest and most detailed P&IDs. Users can effortlessly zoom, pan, and explore without losing context, enabling quick inspection of instruments, lines, and equipment at any...

Read More
Automated Data Extraction from P&IDs Using DigitalSketch.ai: Turning Static Diagrams into Actionable Data

Automated Data Extraction from P&IDs Using DigitalSketch.ai: Turning Static Diagrams into Actionable Data

In industrial engineering, Piping and Instrumentation Diagrams (P&IDs) are vital blueprints that capture the relationships between equipment, piping, instruments, and control logic in process facilities. Yet these diagrams often remain trapped in static formats such as PDFs, scanned images, or legacy drawings—making it hard to harness the rich engineering information they contain. Modern workflows demand structured, searchable data rather than flat visuals, and this is where automated data extraction with DigitalSketch.ai comes into play. The Challenge: Static P&IDs vs. Digital Workflows Traditionally, extracting data from P&IDs is manual, labor-intensive, and prone to errors. Engineers painstakingly review diagrams, copy equipment tags,...

Read More
Piping Design Is So Much More Than Just Routing Lines Between Two Points

Piping Design Is So Much More Than Just Routing Lines Between Two Points

When most people think of piping systems—whether in oil & gas, chemical plants, power generation, or water treatment—they imagine lines connecting equipment to transport fluids or gases. However, piping design is a complex engineering discipline that goes far beyond simply drawing lines from point A to point B. It is the foundation for safe, efficient, code-compliant, maintainable, and constructible industrial systems . More Than Lines: What Piping Design Really Entails At its core, piping design integrates technical requirements, safety standards, operational needs, and constructability considerations into a coherent system that performs reliably over its entire lifecycle. 1. Design Is Grounded...

Read More
P&ID Digitization Using AI: Transforming Industrial Engineering Workflows

P&ID Digitization Using AI: Transforming Industrial Engineering Workflows

Piping and Instrumentation Diagrams (P&IDs) are the backbone of industrial design, operations, and safety in sectors such as oil & gas, chemicals, power generation, and renewable energy. Traditionally represented as static technical drawings—often on paper or in PDF format—P&IDs have historically posed challenges for accessibility, searchability, and integration with modern digital systems. The advent of artificial intelligence (AI) is now revolutionizing how these critical documents are digitized, managed, and used across enterprise workflows. The Need for Intelligent P&IDs Static P&IDs suffer from multiple limitations: They are not machine-readable , making automated querying and analytics difficult. Manual interpretation is labor-intensive and...

Read More
P&ID Information Extraction Using AI: Unlocking Engineering Intelligence

P&ID Information Extraction Using AI: Unlocking Engineering Intelligence

Piping and Instrumentation Diagrams (P&IDs) are indispensable technical artefacts in engineering disciplines across oil & gas, chemicals, power generation, and manufacturing. They convey intricate information about equipment, process flows, control systems, and instrumentation—but when these diagrams are stored as static PDFs or images, the valuable engineering data within remains locked away from modern digital systems. AI-driven P&ID information extraction transforms these diagrams into structured, machine-readable data , enabling intelligent workflows, analytics, and operational decision support across the industrial lifecycle. What Is P&ID Information Extraction? At its core, P&ID information extraction is the automated process of analyzing P&ID diagrams using artificial...

Read More
DigitalSketch.ai — Extract Comprehensive Drawing Information from P&Dis

DigitalSketch.ai — Extract Comprehensive Drawing Information from P&Dis

From Static Drawings to Complete, Auditable Digital Records Engineering drawings contain far more than lines and symbols—they carry critical project, compliance, and lifecycle information. DigitalSketch.ai unlocks this value by automatically extracting and organizing comprehensive drawing information into a single, structured, and searchable system. With DigitalSketch.ai, every P&ID becomes a complete digital record , not just a visual artifact. Extract and Centralize All Drawing Information DigitalSketch.ai intelligently extracts and structures drawing-level information, including: Drawing metadata (title, number, version, scale, dates) Project and client information Company logos and certifications Notes, comments, and annotations All information is centralized and accessible directly from the...

Read More
P&ID Ingestion: Turning Engineering Diagrams into Actionable Industrial Intelligence

P&ID Ingestion: Turning Engineering Diagrams into Actionable Industrial Intelligence

Piping and Instrumentation Diagrams (P&IDs) are foundational blueprints in industrial engineering, capturing the detailed interconnections between equipment, piping, sensors, and control systems across complex processes. Traditionally stored as static PDFs or CAD files, these diagrams contain a wealth of operational knowledge—but much of it is inaccessible to modern digital systems and analytics tools. P&ID ingestion is the advanced process of using AI and machine learning to transform these static drawings into structured, machine-readable data that can power industrial intelligence at scale. What Is P&ID Ingestion? At its core, P&ID ingestion refers to the automated extraction and digitization of data from...

Read More
Automated Data Extraction from P&IDs Using AI: Turning Diagrams into Digital Intelligence

Automated Data Extraction from P&IDs Using AI: Turning Diagrams into Digital Intelligence

Piping and Instrumentation Diagrams (P&IDs) are essential technical documents in industrial engineering—detailing how equipment, piping, valves, and instruments interconnect within a process plant. Traditionally, extracting the valuable data embedded in these diagrams has been a manual, time-consuming, and error-prone task , slowing down engineering, estimating, and design workflows. Today, AI-powered automated data extraction is transforming how organizations harvest and leverage this information. Why Automated Data Extraction Matters P&IDs are rich with engineering intelligence such as equipment identifiers, instrument tags, pipe specifications, and control logic. Yet when stored as PDFs or scanned drawings, that data is locked in visual formats that...

Read More